P: NOVÉ brzdové kotúče 200SX S14

je nutný vysvětlení?! :)
Odpovědět
Uživatelský avatar
automato
user
Příspěvky: 501
Registrován: 18.11.2010, 10:28
Bydliště: Slovensko okolie NR

P: NOVÉ brzdové kotúče 200SX S14

Příspěvek od automato »

Made in Japan a BREMBO. Obloženie cez SZ. Takisto možnosť odberu nových brzdových strmeňov za veľmi rozumné ceny
Přílohy
Zadné brzdové kotúče 258mm, s hrúbkou 9mm, min. je 8mm tak merajte 40eur 1200Kč
Zadné brzdové kotúče 258mm, s hrúbkou 9mm, min. je 8mm tak merajte 40eur 1200Kč
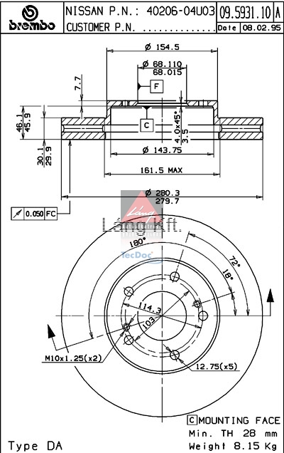
BREMBO brzdové kotúče 280mm, s hrúbkou 30mm. Minimálna hrúbka je 28mm tak si ich odmerajte 85eur 2500Kč
BREMBO brzdové kotúče 280mm, s hrúbkou 30mm. Minimálna hrúbka je 28mm tak si ich odmerajte 85eur 2500Kč
Predné brzdové kotúče 280mm, s hrúbkou 30mm. Minimálna hrúbka je 28mm tak si ich odmerajte 40eur 1200Kč
Predné brzdové kotúče 280mm, s hrúbkou 30mm. Minimálna hrúbka je 28mm tak si ich odmerajte 40eur 1200Kč
HĽADÁM NOVÉHO SPONZORA

race-shop.sk
KENTOYA PRODUCTS
R-MAX s.r.o
Uživatelský avatar
Fizzbiker
user
Příspěvky: 3410
Registrován: 14.01.2010, 18:29
Bydliště: cca Brno
Kontaktovat uživatele:

Re: P: NOVÉ brzdové kotúče 200SX S14

Příspěvek od Fizzbiker »

co kotouče 297x30 z R33GSTS?
mas? cena?
:bootyshake: :bootyshake: :bootyshake: :bootyshake: :bootyshake: :bootyshake: :bootyshake:
:lol: :lol: :lol: :lol: :lol: :lol: :lol:
Uživatelský avatar
automato
user
Příspěvky: 501
Registrován: 18.11.2010, 10:28
Bydliště: Slovensko okolie NR

Re: P: NOVÉ brzdové kotúče 200SX S14

Příspěvek od automato »

Tak pozri či má vyzerať takto lebo na R33 nemám. Ale toto možno by mohlo sediet. cENA 75EUR
Přílohy
296 J3301094.jpg
296x32.jpg
HĽADÁM NOVÉHO SPONZORA

race-shop.sk
KENTOYA PRODUCTS
R-MAX s.r.o
Uživatelský avatar
nismo.gtst
user
Příspěvky: 818
Registrován: 01.07.2009, 19:34
Bydliště: UK
Kontaktovat uživatele:

Re: P: NOVÉ brzdové kotúče 200SX S14

Příspěvek od nismo.gtst »

Fizzbiker píše:co kotouče 297x30 z R33GSTS?
mas? cena?
napis SZ, mam dvoudilne i klasika derovane/drazkovane, cena od 3.500Kc
Obrázek
Obrázek
DRIVE:
Nissan Skyline R33 GTS-T Mspec2 スカイライン
----------------------------------------------------------------------------------------------------------
http://www.hpc-performance.com Performance Japanese Car Parts for you...
Obrázek
Odpovědět